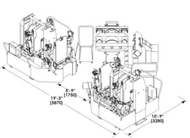
CYCLONE CT-2

THREE OPERATOR DOUBLE BUCK UNIT

 

Two CT-2 Double Buck Body/Sleever Presses, Two 3TZ Double Collar/Cuff Presses