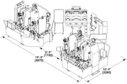
HURRICANE HS-2
THREE
OPERATOR DOUBLE BUCK UNIT
Two HS-2 – Double
Buck Body/Sleever Presses, Two 3TZ– Single Collar/Cuff Presses

|
Production
(3 Operator) |
200shirts per hour |
|
|
Steam
Pressure Supply |
100
- 125 psi |
7
- 9 bar |
|
Steam
Consumption |
8
1/2 bph |
133
kg/hr |
|
Air
Pressure Supply |
85
- 125 psi |
6
- 9 bar |
|
Air
Consumption @ 200/hr |
15.75
cfm |
446
L/min |
|
Electrical
Supply (Controls) |
115/1/60 |
240/1/50 |
|
Electrical
Supply (Blower) |
208-230/3/60 |
380-415/3/50 |
|
Electrical
Consumption (3 phase) |
35.4
amps @ 230 |
19.2
amps @ 400 |
|
Floor
Space |
207
sq ft |
19.2
sq m |