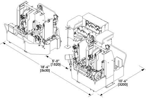
HURRICANE HS-2

THREE OPERATOR DOUBLE BUCK UNIT

 

Two HS-2  Double Buck Body/Sleever Presses, One Q4T– Quad Collar/Cuff Press

 

 


Production (3 Operator)

200 shirts per hour

Steam Pressure Supply

100 - 125 psi

7 - 9 bar

Steam Consumption

8-1/4 bhp

130 kg/hr

Air Pressure Supply

85 - 125 psi

6 - 9 bar

Air Consumption @ 200/hr

14.25 cfm

403 L/min

Electrical Supply (Controls)

115/1/60

240/1/50

Electrical Supply (Blower)

208-230/3/60

380-415/3/50

Electrical Consumption (3 phase)

35.4 amps @ 230

19.2 amps @ 400

Floor Space

195 sq ft

18.1 sq m